Arctic Dual Hood simplifies energy-efficient ventilation
Tom Marsik holds an Arctic Dual Hood he and his team developed in front of Ventilation Solutions in Fairbanks, where the hoods are now available.
April 1, 2026
By Yuri Bult-Ito
A new ventilation system component developed by engineers at the University of Alaska Fairbanks and the Cold Climate Housing Research Center is helping indoor air quality in cold climates while saving energy.
The Arctic Dual Hood for Heat Recovery Ventilation simplifies installation of heat recovery ventilators, or HRVs, by using a single opening through the wall.
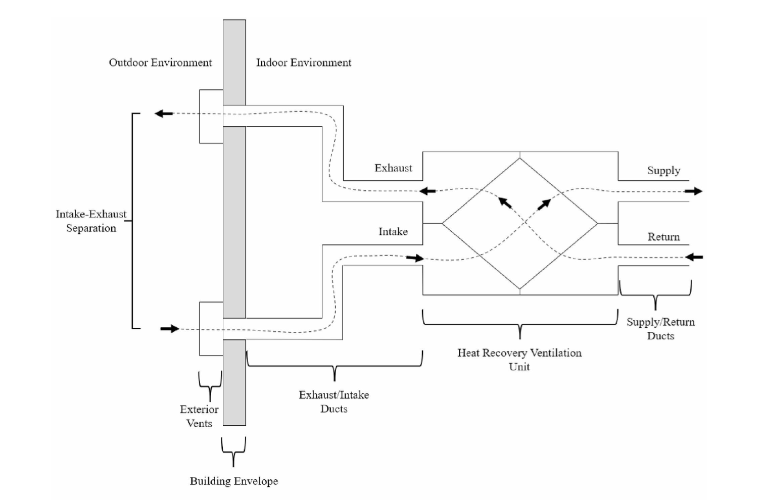
An HRV is a system that brings fresh air into a home while removing stale air. It typically uses two openings through the wall, one for intake and the other for exhaust. A heat exchanger inside the system transfers heat from outgoing air to incoming air, reducing heat loss.
Gabriel Gray, UAF Makerspace lab technician, uses a heat gun to remove debris produced during the printing process of an Arctic Dual Hood. On his left sits the 3D printer, which Gray built, that printed the hood.
Combined intake and exhaust vents for HRVs already exist but are not practical in cold climates, as the exhaust opening ices up. The Arctic Dual Hood uses a specially designed shape that dramatically reduces ice formation.
“The Arctic Dual Hood simplifies the installation of HRVs in cold climates and makes them accessible to more people,” said the project’s lead researcher Tom Marsik, a professor of sustainable energy with UAF’s Bristol Bay Campus and Alaska Center for Energy and Power.
The hood was more than seven years in development, which included testing prototypes in a research freezer on the UAF campus. The Arctic Dual Hood, patented through the UAF Office of Intellectual Property and Commercialization, is now available through Ventilation Solutions in Fairbanks.
UAF student researchers Riley Bickford, Conor Dennehy and Stuart Lutton worked on the hood with Marsik. The Alaska Regional Collaboration for Technology Innovation and Commercialization program and the state of Alaska funded the project.
Marsik is an inductee of the 2026 Alaska Innovators Hall of Fame. His UAF position was jointly created with the National Laboratory of the Rockies’
Alaska Campus and the Cold Climate Housing Research Center, both in Fairbanks.
A traditional heat recovery ventilation system uses two openings through the wall, one for intake and the other for exhaust.
An Arctic Dual Hood sits in the 3D printer that has just printed it.
The Arctic dual hood uses a single wall opening that handles intake and exhaust.

