ACEP at Work: BlackBox Project Logbook – Weekly Update
Project Description: ACEP’s BlackBox prototype is a customized data acquisition system built from high quality, off the shelf components for efficient collection of high-resolution, high-quality data in rural Alaska. The goal of the project is to develop a fully self-contained system that can be left in the field unmonitored for extended periods of time.
Progress Update: Recent work on the BlackBox Project is focused on getting the system ready for testing.
As of now, the system is fully operational with the exception of the sensors used
for data collection. Research is being done to determine which sensors will be best
for testing. The sensors being looked into are a Hall effect sensor for measuring
voltage, and a Rogowski coil for measuring alternating current. Additionally an as-built
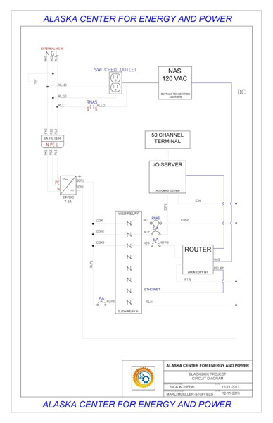
circuit diagram for the project was created showing components and sizing along with
installed wire numbers.
For a higher resolution circuit diagram download to email nkonefal@alaska.edu.
Project Lead: Marc Mueller-Stoffels, mmuellerstoffels@alaska.edu
Project Engineer: Nicholas Konefal
Project Funding: ShellWind/Shell Foundation, Alaska Energy Authority
Photo Caption: Computer draft of circuit diagram for BlackBox system.
Image courtesy of N.Konefal, ACEP/UAF.

